Probeentnahmekühler P.W.T. – 100
Probeentnahmekühler P.W.T. – 400
REAGENZIEN UND LABORGERÄTE ZUR ANALYTIK
Um die erforderlichen Wasseruntersuchungen vornehmen zu können, sind Labor- reagenzien und -geräte erforderlich, die bei uns bezogen werden können.
Die folgende Übersicht beinhaltet die wichtigsten Komponenten:
Test-Kits für die Messung von
✓ Phosphat-Gehalt
✓ p- und m-Wert
✓ Sulfit-Gehalt
✓ Eisen-Gehalt
✓ Hydrazin-Gehalt
✓ Härte und Resthärte
Hierbei gibt es titrimetrische und colorimetrische Meßverfahren, die beide lieferbar sind. Für die Test-Kits gibt es zugehörige Nachfüllreagenzien.
Ferner liefern wir sämtliche erforderlichen Laborgeräte und -chemikalien.
Zur besseren Bestimmung von pH-Wert und Leitfähigkeit liefern wir elektronische Meßgeräte.
Bei größeren Betrieben empfiehlt sich ein Wasseruntersuchungsschrank, der alle not- wendigen Meßbestecke und Laborgeräte enthält und der individuell den Betriebs- verhältnissen entsprechend ausgerüstet werden kann.
Probeentnahmekühler
Für die manuelle Entnahme einer Wasserprobe aus dem Speisewasserbehälter oder dem Dampferzeuger muß für die analytische Untersuchung das Probewasser herunter gekühlt werden.
Probeentnahmekühler P.W.T. – 100
Zum Einsatz bei der Kühlung von Kondensat- und Speisewasser mit
max. 110 °C Temperatur.
Ausführung

Schematischer Aufriss

Lieferung komplett für Wandmontage mit einem Nadelventil für Probeeintrittund einem Kugelhahn für Kühlwassereintritt; Mantel und Kühlschlange komplett aus NIRO-Stahl.
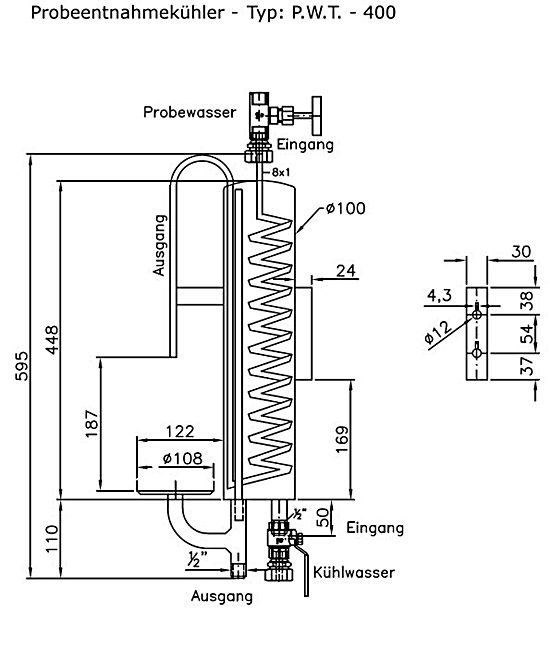
Probeentnahmekühler P.W.T. – 400
Zum Einsatz bei der Kühlung von Kesselwasser max. 180 °C Temperatur.
Ausführung

Schematischer Aufriss

Lieferung komplett für Wandmontage mit einem Nadelventil für Probeeintritt und einem Kugelhahn für Kühlwassereintritt; Mantel und Kühlschlange komplett aus NIRO-Stahl.